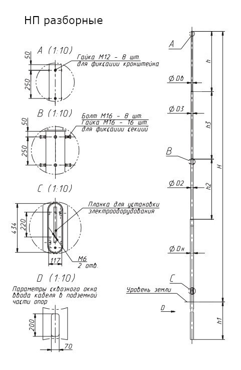
Опора несиловая трубчатая прямостоечная (тип НП)
Технические характеристики:
| Материал опоры | Высококачественный листовой металлопрокат |
| Покрытие опоры | Антикоррозийное покрытие - горячее цинкование |
| Цвет опоры | Покраска в любой цвет по таблице цветов RAL |
| Масса опоры, кг | от 30,8 до 608 |
| Высота опоры, м | от 2 до 15 |
| Высота закладной детали, м | от 1 до 2 |
ОПИСАНИЕ
![]() |
Ревизионный лючок В лючке предусмотрена планка для установки комплектующих и точка заземления (болт М10) Ревизионный лючок для распределения кабелей имеет специальное усиление, для обеспечения повышенной прочности Высота от фланца опоры до нижней кромки лючка 500 мм |
![]() |
Окно для вывода кабеля Подвод питающих кабелей через окно в подземной части опоры Расчёт параметров фундаментного блока производится исходя из климатических условий, ветрового района эксплуатации и параметров грунта. Для расчёта необходима услуга проектной организации |


















